Zhejiang Sehnaider Electric Co., Ltd.
Zhejiang Sehnaider Electric Co., Ltd.
Produk
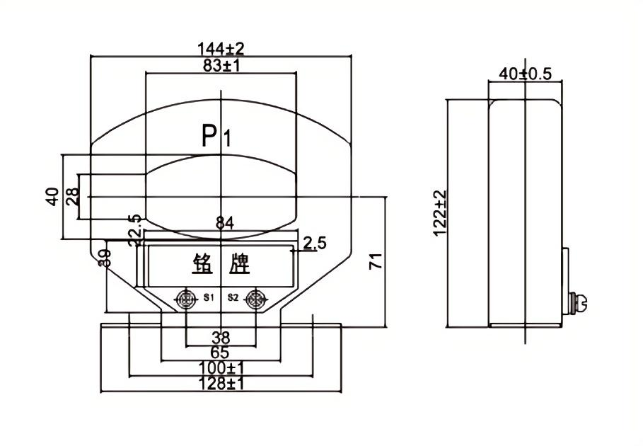
LMZJ1-0.5-80 Transformers semasa
  • LMZJ1-0.5-80 Transformers semasaLMZJ1-0.5-80 Transformers semasa

LMZJ1-0.5-80 Transformers semasa

LMZJ1-0.5-80 Transformer semasa adalah kejuruteraan ketepatan untuk aplikasi pengukuran dan perlindungan yang tepat dalam sistem elektrik. Dengan julat semasa yang diberi nilai 0.5-80A, transformer ini memberikan prestasi yang boleh dipercayai dan tepat dalam pelbagai persekitaran perindustrian.

LMZJ1-0.5-80 Transformers semasa dikenali dengan ketepatan yang tinggi, ralat sudut fasa rendah, dan linearity yang sangat baik, memastikan pengukuran tepat tahap semasa. Transformer semasa ini direka untuk menjadi padat dan mudah dipasang, menjadikannya sesuai untuk pelbagai konfigurasi sistem elektrik. Dibina dengan bahan berkualiti tinggi, transformer semasa LMZJ1-0.5-80 adalah tahan lama dan menyediakan kestabilan jangka panjang untuk operasi berterusan. Trust LMZJ1-0.5-80 Transformer semasa untuk pengukuran semasa yang tepat dan perlindungan yang boleh dipercayai terhadap sistem elektrik anda.


Spesifikasi

Voltan dinilai 500V
Kekerapan yang dinilai 50Hz
Arus utama yang dinilai 10A, 12.5A, 15A, 20A, 25A .., 6000A
Arus sekunder yang dinilai 5a; 1a
Kuasa beban sekunder
faktor
0.8 (kelewatan)
Output undian 2.5va, 5va, 10va, 20va
Ketepatan 0.2; 0.2s; 0.5; 0.5s
Rintangan pengasingan Rintangan pengasingan penggulungan utama ke penggulungan sekunder
dan ke bumi ≥20mΩ
Kekerapan kuasa
menahan voltan
Menahan nilai yang sah penggulungan utama ke penggulungan sekunder
dan ke bumi ≥ 3kv

Teg Panas: LMZJ1-0.5-80 Transformers semasa
Hantar Pertanyaan
Maklumat Hubungan
Sekiranya anda mempunyai sebarang pertanyaan mengenai sebut harga atau kerjasama, sila hantarkan e -mel kepada kami di river@dahuelec.com atau gunakan borang pertanyaan berikut. Wakil jualan kami akan menghubungi anda dalam masa 24 jam. Terima kasih atas minat anda terhadap produk kami.
X
We use cookies to offer you a better browsing experience, analyze site traffic and personalize content. By using this site, you agree to our use of cookies. Privacy Policy
Reject Accept