Zhejiang Sehnaider Electric Co., Ltd.
Zhejiang Sehnaider Electric Co., Ltd.
Produk
LMZJ1-0.5-50 Transformers Semasa
  • LMZJ1-0.5-50 Transformers SemasaLMZJ1-0.5-50 Transformers Semasa

LMZJ1-0.5-50 Transformers Semasa

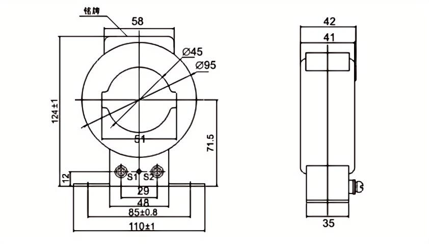
LMZJ1-0.5-50 Transformer semasa direka untuk pengukuran dan perlindungan yang tepat dalam sistem elektrik. Dengan arus yang diberi nilai 0.5-50A, transformer ini memberikan prestasi yang boleh dipercayai dalam pelbagai aplikasi.

Siri LMZJ1-0.5-50 mempunyai ketepatan yang tinggi, ralat sudut fasa rendah, dan linearity yang sangat baik, memastikan pengukuran tepat tahap semasa. Transformer semasa ini padat dalam saiz, menjadikannya mudah dipasang dan sesuai untuk digunakan dalam pelbagai persekitaran perindustrian. Dengan pembinaan yang kukuh dan bahan berkualiti tinggi, transformer LMZJ1-0.5-50 menawarkan kestabilan dan ketahanan jangka panjang. Trust LMZJ1-0.5-50 Transformer semasa untuk pengukuran semasa yang tepat dan perlindungan yang boleh dipercayai dalam sistem elektrik anda.


Spesifikasi

Voltan dinilai 500V
Kekerapan yang dinilai 50Hz
Arus utama yang dinilai 10A, 12.5A, 15A, 20A, 25A .., 6000A
Arus sekunder yang dinilai 5a; 1a
Kuasa beban sekunder
faktor
0.8 (kelewatan)
Output undian 2.5va, 5va, 10va, 20va
Ketepatan 0.2; 0.2s; 0.5; 0.5s
Rintangan pengasingan Rintangan pengasingan penggulungan utama ke penggulungan sekunder
dan ke bumi ≥20mΩ
Kekerapan kuasa
menahan voltan
Menahan nilai yang sah penggulungan utama ke penggulungan sekunder
dan ke bumi ≥ 3kv



Teg Panas: LMZJ1-0.5-50 Transformers Semasa
Hantar Pertanyaan
Maklumat Hubungan
Sekiranya anda mempunyai sebarang pertanyaan mengenai sebut harga atau kerjasama, sila hantarkan e -mel kepada kami di river@dahuelec.com atau gunakan borang pertanyaan berikut. Wakil jualan kami akan menghubungi anda dalam masa 24 jam. Terima kasih atas minat anda terhadap produk kami.
X
We use cookies to offer you a better browsing experience, analyze site traffic and personalize content. By using this site, you agree to our use of cookies. Privacy Policy
Reject Accept