Zhejiang Sehnaider Electric Co., Ltd.
Zhejiang Sehnaider Electric Co., Ltd.
Produk
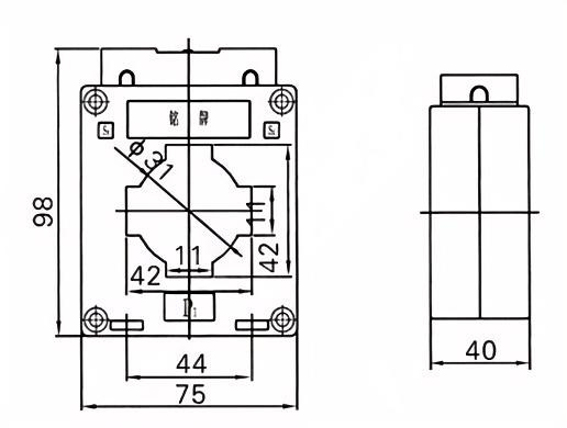
BH-0.66-40 Transformers Semasa
  • BH-0.66-40 Transformers SemasaBH-0.66-40 Transformers Semasa

BH-0.66-40 Transformers Semasa

Transformer semasa BH-0.66-40 adalah peranti kejuruteraan ketepatan yang direka untuk pengukuran semasa dan pemantauan tenaga yang tepat dalam sistem elektrik voltan rendah. Dengan voltan yang diberi nilai 0.66kV, transformer ini memastikan prestasi yang boleh dipercayai dalam aplikasi perindustrian, komersial, dan utiliti.

Ciri -ciri:

Ketepatan Tinggi: BH-0.66-40 Transformers semasa mematuhi piawaian IEC, memberikan transformasi semasa yang tepat untuk pemeteran dan perlindungan.

Prestasi yang stabil: Linearity yang sangat baik dan anjakan fasa rendah untuk pembacaan yang konsisten.

Pembinaan yang teguh: Bahan-bahan-bahan api meningkatkan keselamatan dan ketahanan.


Aplikasi:

Sistem Pengurusan Tenaga

Panel pengedaran kuasa

Meter pintar dan automasi

Pemasangan tenaga boleh diperbaharui


Parameter Teknikal Utama

Nilai utama
Semasa (a)
Ketepatan
kelas
gabungan
Output sekunder yang dinilai (VA) Adalah arus haba (ka) Arus dinamik dinilai (ka)
0.2 (s) 0.2 0.5 10p10
5-40 0.2/10p10
0.5/10p10
/ 10 10 15 90lin 220lin
5-40 100lin 250lin
5-40 20 50
5-40
5-40 36 90
10
5-40 45 100
5-40 56 100
5-40
5-40 80 110
5-40 100 110


Teg Panas: BH-0.66-40 Transformers Semasa
Hantar Pertanyaan
Maklumat Hubungan
Sekiranya anda mempunyai sebarang pertanyaan mengenai sebut harga atau kerjasama, sila hantarkan e -mel kepada kami di river@dahuelec.com atau gunakan borang pertanyaan berikut. Wakil jualan kami akan menghubungi anda dalam masa 24 jam. Terima kasih atas minat anda terhadap produk kami.
X
We use cookies to offer you a better browsing experience, analyze site traffic and personalize content. By using this site, you agree to our use of cookies. Privacy Policy
Reject Accept