Zhejiang Sehnaider Electric Co., Ltd.
Zhejiang Sehnaider Electric Co., Ltd.
Produk
BH-0.66-30 Transformers Semasa
  • BH-0.66-30 Transformers SemasaBH-0.66-30 Transformers Semasa

BH-0.66-30 Transformers Semasa

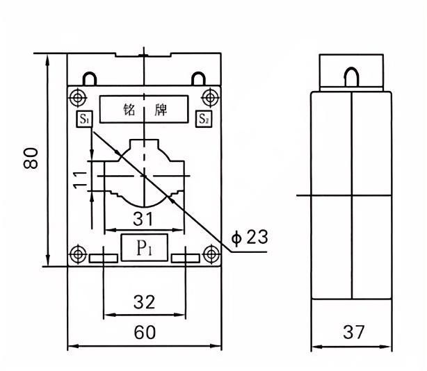
Transformer semasa BH-0.66-30 (CTS) adalah instrumen kejuruteraan ketepatan yang direka untuk pengukuran dan pemantauan semasa yang tepat dalam sistem elektrik voltan rendah. Dengan voltan penebat yang diberi nilai 0.66kV, transformer ini sesuai untuk pengurusan tenaga, penyampaian perlindungan, dan aplikasi pemeteran.

Ciri -ciri:

Ketepatan Tinggi: Memenuhi piawaian IEC 61869, memastikan prestasi yang boleh dipercayai untuk tujuan pengebilan dan pemantauan.

Reka bentuk padat: Pembinaan penjimatan ruang untuk pemasangan mudah di ruang yang ketat.

Julat semasa yang luas: arus utama sehingga 30A, sesuai untuk pelbagai beban perindustrian dan komersial.

Bahan tahan lama: Perumahan yang teguh memberikan ketahanan terhadap faktor persekitaran dan tekanan mekanikal.

Pematuhan Keselamatan: BH-0.66-30 Transformers semasa mematuhi pensijilan keselamatan dan prestasi antarabangsa.


Aplikasi:

Pemeteran tenaga dalam sistem pengedaran kuasa.

Perlindungan overcurrent dalam pemutus litar dan geganti.

Integrasi dengan grid pintar dan penyelesaian pemantauan berasaskan IOT.

Spesifikasi Teknikal:

Voltan Rated: 0.66kV

Kekerapan: 50/60Hz

Kelas Ketepatan: 0.5, 1.0 (disesuaikan)

Beban: Seperti keperluan pelanggan


Parameter Teknikal Utama

Nilai utama
Semasa (a)
Ketepatan
kelas
gabungan
Output sekunder yang dinilai (VA) Adalah arus haba (ka) Arus dinamik dinilai (ka)
0.2 (s) 0.2 0.5 10p10
5-40 0.2/10p10
0.5/10p10
/ 10 10 15 90lin 220lin
5-40 100lin 250lin
5-40 20 50
5-40
5-40 36 90
10
5-40 45 100
5-40 56 100
5-40
5-40 80 110
5-40 100 110


Teg Panas: BH-0.66-30 Transformers Semasa
Hantar Pertanyaan
Maklumat Hubungan
Sekiranya anda mempunyai sebarang pertanyaan mengenai sebut harga atau kerjasama, sila hantarkan e -mel kepada kami di river@dahuelec.com atau gunakan borang pertanyaan berikut. Wakil jualan kami akan menghubungi anda dalam masa 24 jam. Terima kasih atas minat anda terhadap produk kami.
X
Kami menggunakan kuki untuk menawarkan anda pengalaman menyemak imbas yang lebih baik, menganalisis trafik tapak dan memperibadikan kandungan. Dengan menggunakan tapak ini, anda bersetuju dengan penggunaan kuki kami. Dasar Privasi
Tolak Terima