Zhejiang Sehnaider Electric Co., Ltd.
Zhejiang Sehnaider Electric Co., Ltd.
Produk
BH-0.66-20 Transformers Semasa
  • BH-0.66-20 Transformers SemasaBH-0.66-20 Transformers Semasa

BH-0.66-20 Transformers Semasa

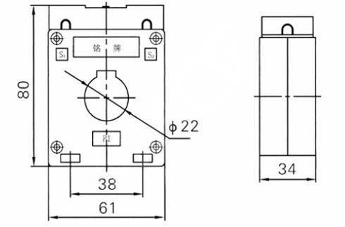
Transformer semasa BH-0.66-20 adalah transformer semasa berkualiti tinggi yang direka untuk pengukuran dan pemantauan arus elektrik yang tepat dalam pelbagai aplikasi perindustrian. Dengan arus yang diberi nilai 0.66A dan kekerapan 50/60Hz, transformer ini memberikan prestasi yang boleh dipercayai dan bacaan yang tepat.

Transformer semasa BH-0.66-20 mempunyai reka bentuk yang padat dan mantap, menjadikannya sesuai untuk pemasangan di ruang yang ketat dan persekitaran yang keras. Mereka dilengkapi dengan bahan dan komponen berkualiti tinggi untuk memastikan kestabilan dan ketahanan jangka panjang.


Transformer semasa ini mudah dipasang dan mengekalkan, menjadikannya sesuai untuk pelbagai aplikasi, termasuk pengedaran kuasa, pengurusan tenaga, dan automasi perindustrian. Mereka mematuhi piawaian antarabangsa untuk keselamatan dan prestasi, menyediakan pengguna dengan ketenangan fikiran dan keyakinan dalam operasi mereka.


Secara keseluruhannya, transformer semasa BH-0.66-20 adalah pilihan yang sempurna untuk pengukuran dan pemantauan semasa yang tepat dalam tetapan perindustrian, yang menawarkan kebolehpercayaan, ketepatan, dan ketahanan untuk pelbagai sistem elektrik.


Parameter Teknikal Utama

Nilai utama
Semasa (a)
Ketepatan
kelas
gabungan
Output sekunder yang dinilai (VA) Adalah arus haba (ka) Arus dinamik dinilai (ka)
0.2 (s) 0.2 0.5 10p10
5-40 0.2/10p10
0.5/10p10
/ 10 10 15 90lin 220lin
5-40 100lin 250lin
5-40 20 50
5-40
5-40 36 90
10
5-40 45 100
5-40 56 100
5-40
5-40 80 110
5-40 100 110



Teg Panas: BH-0.66-20 Transformers Semasa
Hantar Pertanyaan
Maklumat Hubungan
Sekiranya anda mempunyai sebarang pertanyaan mengenai sebut harga atau kerjasama, sila hantarkan e -mel kepada kami di river@dahuelec.com atau gunakan borang pertanyaan berikut. Wakil jualan kami akan menghubungi anda dalam masa 24 jam. Terima kasih atas minat anda terhadap produk kami.
X
We use cookies to offer you a better browsing experience, analyze site traffic and personalize content. By using this site, you agree to our use of cookies. Privacy Policy
Reject Accept